Ayuda con Game Boy DMG con mod

Aqui se pueden tratar todos los temas relacionados a consolas: reparaciones, dudas y demás.
Responder
Avatar de Usuario
MVS Fan
Mensajes: 414
Registrado: Sab Jul 19, 2014 9:37 pm
Cuenta de Twitter: Shiver_169

Ayuda con Game Boy DMG con mod

Mensaje por MVS Fan »

Hola hace poco rescate un Gameboy DMG de la basura estaba muy mal con derrame de batería y pantalla estrellada pero escuchaba algo en su altavoz así que me animé a comprarlo por 50 pesos.

Pedí un Kit de pantalla IPS con efecto retropixel de Aliexpress y procedí a hacer el mod. Todo bien la pantalla se ve hermosa y la consola funciona al 100% solo hay un problema. Al encender la consola se escucha mucha estática y crujidos en la bocina. Con audífonos va perfecto pero está consola a veces me gusta tenerla en mi espacio de trabajo y echar una partida sin aislarme con los audífonos entonces me gustaría que se escuchará bien no sé si sea un tema de algún capacitor o no se la verdad es que ya busque y no encontró nada al respecto. Por cierto cambie la bocina y de hecho volví a la original por qué escuchaba los mismos crujidos y se escuchaba muy bajita y la original con una buena limpieza estaba impecable y se escucha más fuerte pero con los crujidos después de un tiempo esto para y el sonido se escucha muy bonito quiero pensar que es un capacitor pero mejor pregunto antes de embarcarme que luego son cosas más sencillas. Por cierto también cambie el potenciómetro del volumen.

Bueno espero alguna idea o como puedo proceder a reparar esto. Les dejo una foto ojalá rescaten más están consolas y les hagan el mod si están rotas la verdad se ven hermosas y creo que vale toda la pena del mundo por unos 1200 pesos con envio.
IMG_20220627_224123.jpg
IMG_20220627_224123.jpg (52.74 KiB) Visto 18361 veces
IMG_20220627_224106.jpg
IMG_20220627_224106.jpg (49.41 KiB) Visto 18361 veces
Enviado desde mi M2101K6P mediante Tapatalk

Avatar de Usuario
Artemio
Site Admin
Mensajes: 3035
Registrado: Lun Ago 06, 2012 5:04 pm
Cuenta de Twitter: Artemio
Ubicación: México
Contactar:

Re: Ayuda con Game Boy DMG con mod

Mensaje por Artemio »

Sin temor a equivocarme son capacitores...
Avatar de Usuario
JuanCarlos
Mensajes: 71
Registrado: Vie May 31, 2019 9:03 pm
Cuenta de Twitter: @jclorien

Re: Ayuda con Game Boy DMG con mod

Mensaje por JuanCarlos »

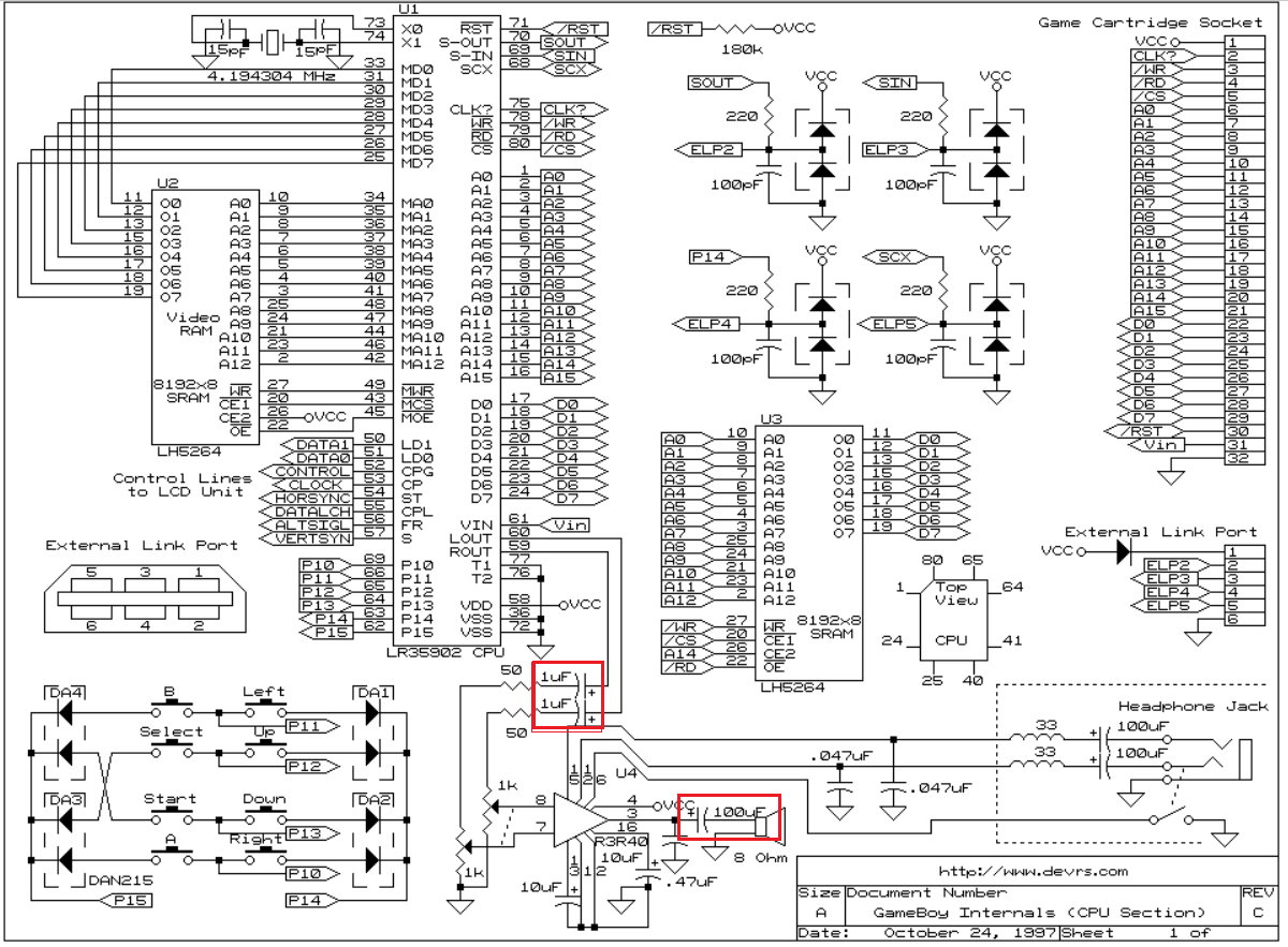
Como bien dice Artemio, es problema de capacitores. Puedes buscar el diagrama, irte a la parte del audio y ver qué capacitores son los que debes reemplazar.

Te dejo el enlace a la página que tiene los diagramas:

https://gbdev.gg8.se/wiki/articles/DMG_Schematics

Podrías comenzar verificando los filtros que están conectados a los pines 59 y 60 del LR35902 que son de 1uF y el filtro que va directamente a la bocina, es de 100uF (está conectado a la terminal 3 del amplificador operacional).

Te adjunto el diagrama, en uno, marqué con un recuadro rojo los capacitores que te digo y en el otro no están marcados para que veas bien el diagrama.

Saludos.
Adjuntos
Gameboy CPU Schematic.png
Gameboy CPU Schematic_1.png
Avatar de Usuario
MVS Fan
Mensajes: 414
Registrado: Sab Jul 19, 2014 9:37 pm
Cuenta de Twitter: Shiver_169

Re: Ayuda con Game Boy DMG con mod

Mensaje por MVS Fan »

Hola tenía meses sin poder entrar al foro por chamba y demás pero aquí estoy para decirles que se resolvió el tema. Verifique los capacitores y todos estaban en buen estado por lo que empeze a pensar en alguna pista con corrosión o algo así ya que la consola tenía signos de sulfatación en el área de las baterías, pero no fue así viendo videos de por qué pasaba esto encontré uno donde hablaban del Switch del conector de 3.5 mm de audio y como este tiende a pegarse o llenarse de corrosión con el paso de los años y pues procedí a limpiar bien el área con limpia contactos y alcohol isopropílico tratando de usar un plug de 3.5 mm y un popote de plástico para subir y bajar este Switch y pues note que en efecto estaba como a medio camino de estar cerrado y pues tras repetir el proceso de limpieza muchas veces conseguí destrabar el Switch y con ello audio limpio por el Speaker de la consola. Vine a dejar mi experiencia a ver si esto ayuda a alguien más porque hay poca información de este tipo de cosas en español.

Enviado desde mi M2101K6P mediante Tapatalk

Avatar de Usuario
JuanCarlos
Mensajes: 71
Registrado: Vie May 31, 2019 9:03 pm
Cuenta de Twitter: @jclorien

Re: Ayuda con Game Boy DMG con mod

Mensaje por JuanCarlos »

Muchas gracias por compartir que ya se solucionó y qué bueno que no fue algo más grave.

Saludos.
Responder