Restauración de una CAPCOM IMPRESS por un noob.

Gabinetes, PCBs, mantenimiento, etc
Reglas del Foro
Las reglas son muy sencillas. Por favor abstengase de postear acerca de copias piratas, descargas ilegales, enlaces, etc. Lo mismo aplica a material ofensivo, es decir, fuera de contexto o inapropiado.

Todo lo demás está permitido siempre y cuando no se esté ofendiendo a alguien más de manera directa e intencional. Por lo mismo no se permite insultar a otras personas.

Cualquier violación a éste reglamento, resultará en un ban permanente.
Bryan
Mensajes: 35
Registrado: Sab Ene 23, 2016 7:44 pm

Re: Restauración de una CAPCOM IMPRESS por un noob.

Mensaje por Bryan »

Gracias por contestar Artemio, dime llevan algun orden al conectarlos? al parecer solo era un pin con dos conectores pero se rompio y quedaron dos
Bryan
Mensajes: 35
Registrado: Sab Ene 23, 2016 7:44 pm

Re: Restauración de una CAPCOM IMPRESS por un noob.

Mensaje por Bryan »

(Acualización) Sigo con conectar el degauss hasta saber cual es el orden correcto de los pines, Al parecer el problema del marvel vs capcom es una falla del cableado la cual se arreglo de una manera bastante extraña,el CPS2 fue Conectado en una posición particular(donde el sistema le tuve que dar una vuelta para que el cableado se apretara) pero a la hora de ponerlo de manera horizontal con la estampa hacia arriba de manera normal, funciona sin ningun problema, fue una grata sorpresa que poniendo en mono el audio se escucha bastante bien, los botones del Kick Harness de los 2 players funcionan tambien sin ningun problema pero en el mvs sigue donde el boton D necesito seguirlo hasta el panel y revisar, si alguien me pudiera decir como se une el pin 25 p1 boton D y el pin e p2 boton D en el panel por que no entiendo eso todavía como el boton de NEOGEO se comparte con el Kick Harness, otro punto es que tengo que cambiar el cableado jamma por que es inminente una falla, asi que quiero tenerla lo mejor posible, vi un cableado en mercadolibre es el unico del D.f. y el precio es de 90 pesos se que es chino pero no estoy seguro de la calidad, otra duda sobre este punto es que el cableado que traia la maquina estaba bastante asqueroso y no se que debo cambiar y que no, por ejemplo en una de las fotos que subi en este comentario tiene un par de microswitches que no tengo idea para que funcionen mas que cuando pongo a funcionar el mvs, uno de esos microswitches es un coin, entonces no tengo idea para que los pusieron y si tienen alguna función saludos, mientras seguir echandome algunas partidas del marvel capcom intentando calibrar lo mejor posible la pantalla.
Adjuntos
1.jpg
1.jpg (116.61 KiB) Visto 6612 veces
2.png
3.jpg
3.jpg (144.52 KiB) Visto 6612 veces
Avatar de Usuario
Jahaziel
Mensajes: 166
Registrado: Sab Abr 06, 2013 7:51 pm
Cuenta de Twitter: @Jahaz2099
Ubicación: Querétaro, Qro
Contactar:

Re: Restauración de una CAPCOM IMPRESS por un noob.

Mensaje por Jahaziel »

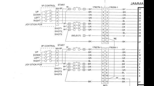
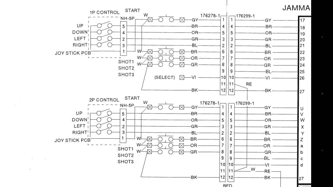
El degauss no tiene orden solo conectalos, los pines 25 y c, que necesitas para tu 4 botón en los player 1,2 en Neo geo, llegan hasta el panel, solo síguelos, o mira el diagrama JAMMA de la impress, ahí vienen los colores, te pongo el diagrama, ya estás conciente de que al querer conectar un CPS2 Y un Sistema Neo Geo, vas a tener que empalmar el 4 botón de los playeros 1,2 en donde ya están las patadas del CPS2?, es importante que bajes el diagrama del sistema Neo geo para que analices si este comparte similitudes con la que trae de fabrica la capcom impress, los micros que trae ahí en tus fotos sueltos, en las que yo he restaurado también han venido así, pero en mi caso he restaurado a configuración de fabrica con partes originales, que nada se comparan a las genéricas, si tienes el jamma original de la impress restauralo no lo cambies. Tienes que revisar si el contador de monedas y el monedero estén conectados por que es lo único que se me ocurre que sean esos micros sueltos.
Adjuntos
Screenshot_2016-01-29-17-17-51.png
images.jpg
images.jpg (26.49 KiB) Visto 6607 veces
Screenshot_2016-01-29-18-00-14.png
Bryan
Mensajes: 35
Registrado: Sab Ene 23, 2016 7:44 pm

Re: Restauración de una CAPCOM IMPRESS por un noob.

Mensaje por Bryan »

Qué tal jahaziel pues revisando el cableado del panel me tope con un cable morado que no estaba conectado a nada y supongo debe haber otro igual no buscare en cuanto pueda, y por ejemplo ves esa falla del video me tope con una pata del pin hembra de video en el jamma estaba como sumida y a lo mejor me causa esa pantalla tan horrible con ruido y la viste en una de las fotos¿
Bryan
Mensajes: 35
Registrado: Sab Ene 23, 2016 7:44 pm

Re: Restauración de una CAPCOM IMPRESS por un noob.

Mensaje por Bryan »

Murio el monitor!! estaba jugando y escuche un chasquido justo cuando iba a apagar el monitor al instante, se puso en negro con cuatro puntos de color rojo azul verde y blanco y ya no prendio para nada :,(
Avatar de Usuario
Jahaziel
Mensajes: 166
Registrado: Sab Abr 06, 2013 7:51 pm
Cuenta de Twitter: @Jahaz2099
Ubicación: Querétaro, Qro
Contactar:

Re: Restauración de una CAPCOM IMPRESS por un noob.

Mensaje por Jahaziel »

Que mal, lo recomendable es que llames al técnico que comentaste fue a revisar tu impress, eso en cuanto al monitor, yo te recomendaría una ves que repares esa avería, no jugar con tu impress hasta que tengas todo el cableado identificado y en orden, ya que al no saber el estado de tu cableado y tener cables sueltos, estos pueden aterrizar a tierra, no intentes meterle mano al chasis porque te puedes llevar una descarga letal.
Bryan
Mensajes: 35
Registrado: Sab Ene 23, 2016 7:44 pm

Re: Restauración de una CAPCOM IMPRESS por un noob.

Mensaje por Bryan »

(Actualización) Ya pronto vendra un tecnico especializado en arcades que me la va a revisar y en caso de que no sepa que es tengo otro de respaldo, el segundo dice que si la falla recide en el chasis y sea algo irreparable, el me puede vender un chasis con monitor de 27 walsgarden, y me comenta que es de mediana resolución.

Me surgen 3 cuestiones:

1.- Qué tal es la calidad de esos monitores en cuanto a durabilidad y calidad en relacion al precio en este caso 2000 pesos Mx

2.- Segun lo que he investigado la capcom impress usa uno de 29, y el que me vende es de 27

3.- A que se refiere con mediana resolución espero puedan resolver mi duda, saludos
Avatar de Usuario
Hokuto
Mensajes: 67
Registrado: Dom Ene 26, 2014 6:32 pm
Ubicación: Chihuas

Re: Restauración de una CAPCOM IMPRESS por un noob.

Mensaje por Hokuto »

Mediana resolucion es de 24khz, solo algunos juegos corren a dicha resolución (se me vienen a la mente varios de Sega, en especial los de la placa Model 1/2 y System 24). Si es de dual sync, los juegos que corren a 15khz (o sea, baja resolución - la gran mayoria de los juegos de maquinita- ) se ajustan automaticamente.

Te sugeriria encontrar un monitor de reemplazo directo de otra Impress o maquina similar.
It hurts twice as much when you know that it was your fault!
Bryan
Mensajes: 35
Registrado: Sab Ene 23, 2016 7:44 pm

Re: Restauración de una CAPCOM IMPRESS por un noob.

Mensaje por Bryan »

pues si compa, pero va a estar cañon conseguir el original con chasis no crees?
Avatar de Usuario
Jahaziel
Mensajes: 166
Registrado: Sab Abr 06, 2013 7:51 pm
Cuenta de Twitter: @Jahaz2099
Ubicación: Querétaro, Qro
Contactar:

Re: Restauración de una CAPCOM IMPRESS por un noob.

Mensaje por Jahaziel »

No se compara un wells Gardner a un Toshiba, que es el que viene de línea, si el técnico no te resuelve, hay gente aquí que se dedican a la compra venta de Arcade, y tienen a sus técnicos que les reparan las averías en sus máquinas, te puedo pasar el Cel de uno de ellos, se encuentran en Ciudad de México, por nada vayas a tirar el monitor y el chasis, porque muy probablemente no lo vas a volver a encontrar, imagina tiene que morir una impress para que consigas un monitor igual, en mi caso se me ocurrió tirar el chasis y el monitor de mi impress, por que según yo compraría uno nuevo, y para mi sorpresa era muy difícil conseguirlo fuera de México y caro, la persona que te comento que se dedica a la compraventa de Arcade, me vendió un monitor y chasis Nanao, Dual 15k y 24k, 29 pulgadas, pero me costo como 3 años andar buscando, uno de 27 no te sirve, por que no te va a coincidir en el bastidor, como ya te comentaron casi la mayoría de juegos viene en 15k baja resolución, una vez que soluciones el problema, te puedo ayudar con el amplificador, ya que termine comprando el amplificador que te ofreció césar.
Responder